МОДУЛИ на базе шины CAN

Модуль
микроконтроллера
MK-M16C6N

 

 


Микроконтроллер МК-M16С6N выполняет следующие функции:
- прием/передача команд автоматики и телемеханики по двум независимым линиям CAN;
- обмен с внешними устройствами по линиям USB и ETHERNET;
- арифметико-логические операции с данными;
- запись/считывание и хранение данных и программ в энергонезависимом ФПЗУ.

Основные параметры устройства:

  • объем ПЗУ микроконтроллера 384+4 Кбайт
  • объем ОЗУ микроконтроллера 31 Кбайт
  • режим работы микроконтроллера словный
  • объем энергонезависимого ФПЗУ 256 Кслов
  • скорость обмена по линии ETHERNET 10 или 100 Мбит/с
  • напряжение питания +24 В или +5 В (USB)
  • ток потребления не более 85 мA (24В), 400 мА (5В)
  • масса не более 0,3 кг
  • габаритные размеры 107 х 75 х 45 мм

Конструктивно модуль силовых выходов выполнен в алюминиевом корпусе Alurail ARP 75/31-105 фирмы BOPLA с креплением на DIN-рейку.

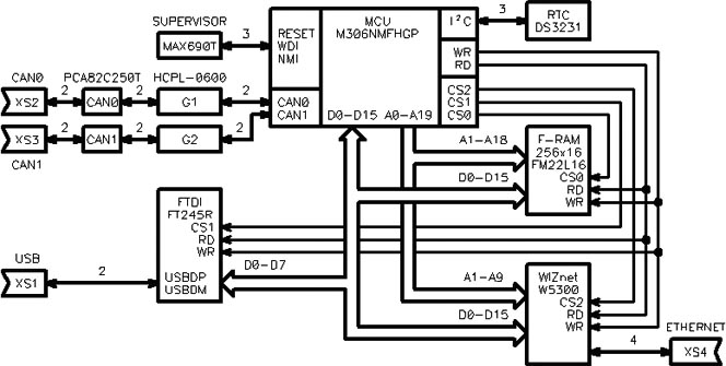
Структурная схема устройства приведена на рисунке 1.

Рисунок 1. Структурная схема модуля микроконтроллера МК-М16C6N.

Модуль микроконтроллера состоит из центрального процессорного элемента (MCU) на микросхеме M306NMFHGP, энергонезависимого ФПЗУ (F-RAM 256x16) на микросхеме FM22L16, сетевого контроллера (WIZnet) на микросхеме W5300, контроллера шины USB (FTDI) на микросхеме FT245R и двух независимых контроллеров линий CAN (CAN0 и CAN1) на микросхемах PCA82C250, подключенных через элементы гальванической развязки (G1 и G2) на оптронах HPCL-0600.

Обмен данными с памятью или пакетами ввода/вывода по линиям USB и ETHERNET осуществляется путем выработки процессором сигнала выборки соответствующего устройства (CS0-CS2) и подачи на него сигнала чтения или записи (RD или WR).

Кроме того, модуль микроконтроллера содержит часы реального времени (RTC) на микросхеме DS3231, подключенной по шине I2C и монитор состояния (SUPERVISOR) на микросхеме MAX690T для контроля напряжения питания и начального запуска устройства.

Внешний вид платы модуля микроконтроллера со стороны установки разъемов, элементов управления и индикации приведен на рисунке 2.


Рисунок 2. Внешний вид платы модуля микроконтроллера со стороны установки разъемов, элементов управления и индикации.

Для подключения модуля микроконтроллера к внешним линиям использованы разъемы:

- XS2, XS3 (TJ5-8P8C) – для подключения к двум независимым линиям CAN. В качестве заглушек линий использованы перемычки J3 и J4. Индикация обмена пакетами по линиям осуществляется светодиодами HL4-HL7;

- XS1 (USB тип B) – для подключения к линии USB;

- XS4 (LU1T516) – для подключения к линии ETHERNET. Выбор режима соединения осуществляется с помощью 3-х позиционного переключателя SW2 (на обратной стороне платы), индикация скорости соединения (10/100 Мбит/с) и типа соединения (дуплекс/полудуплекс) осуществляется светодиодами HL8 и HL9 соответственно. Индикация возникновения коллизий при обмене в режиме полудуплекса осуществляется светодиодом HL10.

Программирование микроконтроллера (MCU) осуществляется через стандартный интерфейс E8 (разъем X1 на обратной стороне платы) при переключении 2-х позиционного переключателя SW1 и удалении перемычки J1(RESET).

Питание модуля осуществляется либо от стабилизированного источника +24В через разъемы XS2 или XS3, либо от линии USB (+5 В) через разъем XS1. Выбор источника питания осуществляется перемычкой J2, индикация наличия внутреннего напряжения +3,3В осуществляется светодиодом HL3.

Для принудительного сброса устройства в первоначальное состояние используется кнопка SA1. Индикация импульсов сброса и импульсов watchdog осуществляется светодиодами HL2 и HL1 соответственно.

Клемма X2 используется для заземления модуля.

Для защиты от пыли, грязи и металлической стружки модуль закрыт сверху прозрачной крышкой из оргстекла.

Назначение контактов разъема XS2:

контакт

1

2

3

4

5

6

7

8

 

+24 В

+24 В

-

CAN0L

CAN0H

-

GND

GND

Назначение контактов разъема XS3:

контакт

1

2

3

4

5

6

7

8

 

+24 В

+24 В

-

CAN1L

CAN1H

-

GND

GND

Назначение контактов разъема XS1 (USB):

контакт

1

2

3

4

 

+5 В

DM

DP

GND

Назначение контактов разъема XS4 (ETHERNET):

контакт

1

2

3

4

5

6

7

8

 

TD+

TD-

TCT

---

---

RCT

RD+

RD-



© 2008-2012 Отделение Разработки Систем, 610006, Киров, Октябрьский пр-т. 24, корп 1а
тел/факс: (8332) 23-66-66 (секретарь)
тел: (8332) 23-98-78, 23-39-47
e-mail: ors@ors.kirov.ru